В помощь радиолюбителю. Выпуск 12 [Вильямс Адольфович Никитин] (fb2) читать онлайн


 [Настройки текста]  [Cбросить фильтры]
  [Оглавление]

Составитель: Никитин Вильямс Адольфович «В помощь радиолюбителю» Выпуск 12 (Электроника своими руками)



Глава 1 ИЗМЕРИТЕЛЬНЫЕ ПРИБОРЫ

1.1. Мини-тестер

Жердев А. [1]


Миниатюрный тестер, собранный по схеме, приведенной на рис. 1, состоит из вольтметра постоянных и переменных напряжений и омметра.



Рис. 1. Принципиальная схема мини-тестера


В качестве стрелочного прибора РА1 используется микроамперметр типа М476 с током полного отклонения стрелки 125 мкА, который применяется в аудиомагнитофонах для установки уровня записи. Сопротивления добавочных резисторов R10 и R11 обеспечивают полное отклонение стрелки микроамперметра при подаче на клемму X11 постоянного напряжения 0,5 В, а на клемму Х9 напряжения 2,5 В благодаря добавочному резистору R7. Резисторы R1-R6 служат для получения пределов измерения 5, 25, 50, 250 и 1000 В при соответствующем использовании клемм Х6, Х5, Х4, Х3 и Х2. Измерения постоянного напряжения производятся при подключении перемычки между клеммами Х9 и Х7.

Для измерения переменного напряжения схема содержит выпрямитель с удвоением напряжения, собранный на диодах VD1 и VD2 и конденсаторах С1 и С2. Для отклонения стрелки микроамперметра на всю шкалу при подаче на клемму Х9 эффективного значения переменного напряжения 2,5 В используется добавочный резистор R8. Для измерения напряжений, превышающих 2,5 В, используется перемычка между клеммами Х8 и Х7 и те же клеммы Х2-Х6, что и при измерениях постоянных напряжений, с теми же пределами измерений.

Для включения омметра используется ключ SA1. Резистор Rx, сопротивление которого необходимо измерить, подключается между клеммой «Общ» и одной из клемм Х13-Х18.

Если сопротивление резистора Rx составляет, например, 100 кОм и он подключен к клемме Х15, к батарее GB1 оказывается присоединено последовательное соединение резисторов R18, R17, R16, R15 и Rx. При этом падение напряжения на резисторе Rx оказывается равным:


Это напряжение поступает на вход составного эмиттерного повторителя, собранного на транзисторах VT1, VT2.

С выхода эмиттерного повторителя напряжение такой же величины поступает на вольтметр через добавочный резистор R9, сопротивление которого выбрано так, что в точке соединения R9 и R10 оказывается напряжение 0,5 В, что соответствует полному отклонению стрелки микроамперметра. В связи с чрезвычайно малым током базы транзистора VT1, резисторы R14, R13 и R12 на работу схемы не влияют. Если поочередно в качестве Rx подключать резисторы разных сопротивлений, можно отградуировать шкалу прибора.

Остальные элементы схемы имеют следующее назначение. Резистор R19 обеспечивает необходимую утечку конденсатора С1. Резистор R10 с конденсатором С3 образуют фильтр нижних частот для гашения пульсаций выпрямленного напряжения. Диоды VD3, VD4 защищают стрелочный прибор от возможных перегрузок.

1.2. Омметр с линейной шкалой

Серебров Н. [2]


Принцип измерения сопротивлений этим прибором состоит в том, что пропускается стабильный ток через измеряемый резистор и образующееся на нем падение напряжения измеряется вольтметром.

Принципиальная схема омметра приведена на рис. 2.



Рис. 2. Принципиальная схема омметра с линейной шкалой


Рассмотрим работу прибора при положении переключателей, показанном на схеме.

Питание омметра осуществляется от сети переменного тока напряжением 220 В через сетевой трансформатор Т1. Напряжение вторичной обмотки II выпрямляется диодным мостиком VD2-VD5, сглаживается конденсатором С2 и стабилизируется микросхемой DA1. Стабилизированное микросхемой DA1 напряжение 12 В проходит с вывода 2 микросхемы через подстроечный резистор R1, резистор R2, контакты переключателя пределов измерения SA1, контакты переключателя рода работ SA2 и измеряемый резистор, подключенный к клеммам X1 и Х2, на общий провод. Ток в этой цепи определяется резисторами R1 и R2, сопротивление которых значительно больше, чем у измеряемого резистора. Поэтому изменение его сопротивления в широких пределах не влияет на протекающий через него ток. Падение на нем напряжения измеряется вольтметром, собранным на резисторе R10 и микроамперметре РА1. В связи с тем, что ток в цепи постоянен и не зависит от сопротивления измеряемого резистора, падение на нем напряжения прямо пропорционально сопротивлению этого резистора, и пригодна шкала микроамперметра, имеющая 100 делений.

Если переключить SA2 в положение, при котором SA2.1 разомкнется, a SA2.2 замкнется, включится режим калибровки, вместо измеряемого в схему включится эталонный резистор R3 и подстроечным резистором R1 стрелку вольтметра нужно будет установить на последнее деление шкалы. На двух других пределах измерения производятся аналогично.

Резисторы R3, R6 и R9 должны точно соответствовать указанным номиналам. Стабилитрон VD1 и конденсатор С3 служат для защиты стрелочного прибора от перегрузок и резких бросков стрелки. В качестве трансформатора можно использовать выходной трансформатор кадров от старых ламповых телевизоров ТВК-110А, ТВК-110ЛМ, ТВК-110Л2. Используется та из вторичных обмоток, которая намотана более толстым проводом (сопротивление которой меньше).

Чертеж печатной платы с установленными на ней элементами схемы показан на рис. 3.



Рис. 3. Печатная плата омметра с линейной шкалой

1.3. Измеритель индуктивности с линейной шкалой

Устименко С. [3]


Иногда в радиолюбительских условиях необходимо измерить индуктивность высокочастотной катушки, но приборы, обладающие такой возможностью (куметры), встречаются достаточно редко. Предлагаемый прибор позволяет измерять индуктивности катушек на трех пределах измерения — 30, 300 и 3000 мкГн с точностью не хуже 2 % от значения шкалы. На показания не влияют собственная емкость катушки и ее омическое сопротивление. Принцип действия прибора состоит в измерении энергии, накопленной в магнитном поле катушки за время протекания через нее постоянного тока.

Принципиальная схема измерителя приведена на рис. 4.



Рис. 4. Принципиальная схема измерителя индуктивности


На элементах 2И-НЕ микросхемы DD1 собран генератор прямоугольных импульсов, частота повторений которых определяется емкостью конденсатора C1, С2 или С3 в зависимости от включенного предела измерений переключателем SA1. Эти импульсы через один из конденсаторов С4, С5 или С6 и диод VD2 поступают на измеряемую катушку Lx, которая подключена к клеммам XS1 и XS2. После прекращения очередного импульса во время паузы за счет накопленной энергии магнитного поля ток через катушку продолжает протекать в том же направлении через диод VD3, его измерение осуществляется стрелочным прибором РА1. Конденсатор С7 сглаживает пульсации тока. Диод VD1 служит для привязки уровня импульсов, поступающих на катушку.

При налаживании прибора необходимо использовать три эталонные катушки с индуктивностями 30, 300 и 3000 мкГн, которые поочередно подключаются вместо L1, и соответствующим переменным резистором R1, R2 или R3 стрелка прибора устанавливается на максимальное деление шкалы. Во время эксплуатации измерителя достаточно выполнять калибровку переменным резистором R4 на пределе измерения 300 мкГн, используя катушку L1 и включив выключатель SB1.

Питание микросхемы производится от любого источника напряжением 5 В.

Чертеж печатной платы с установленными на ней элементами схемы показан на рис. 5.



Рис. 5. Печатная плата измерителя индуктивностей

1.4. Измеритель емкости на ИМС

Соловьев О. [4]


Этот миниатюрный прибор позволяет измерять емкость конденсаторов в пределах от 30 пФ до 3 мкФ на пяти поддиапазонах. Используется общеизвестный принцип сбалансированного моста переменного тока с питанием от генератора.

Особенность схемы этого измерителя состоит в том, что генератор и мост объединены и собраны на одной интегральной микросхеме.

Принципиальная схема измерителя приведена на рис. 6.



Рис. 6. Принципиальная схема измерителя емкости


Четыре элемента 2И-НЕ в этой схеме имеют несколько цепей обратной связи. Положительная частотно-независимая обратная связь осуществлена с вывода 6 на вывод 2. Две цепи частотно-зависимой обратной связи выполнены с вывода 8 через верхнюю по схеме часть резистора R3 и резистор R2 на вывод бис вывода 8 через нижнюю по схеме часть резистора R3 и резистор R4 — на вывод 1. Частотная зависимость этих цепей объясняется наличием одного из конденсаторов С1-С5, включенного переключателем диапазонов SA1, и конденсатора, емкость которого необходимо измерить, подключенного к клеммам XS1 и XS2.

При балансе моста схема прекращает генерировать колебания, на выводе 3 создается устойчивый уровень логического нуля и в результате зажигается светодиод HL1. Такого состояния добиваются регулировкой переменного резистора R3, а по шкале его лимба производится отсчет емкости.

В связи с тем, что конденсаторы С1-С5 являются эталонными, необходимо их емкости подобрать таким образом, чтобы они отличалась от указанных на схеме значений не более чем на 2 %. Шкалу переменного резистора необходимо отградуировать с помощью набора конденсаторов, емкости которых известны. Питание прибора осуществляется либо от батареи 3336Л, либо от трех гальванических элементов типоразмера АА или ААА.

1.5. Генератор 3Ч

Нечаев И. [5]


Предлагаемый генератор звуковой частоты вырабатывает синусоидальные колебания частотой от 25 Гц до 25 кГц в трех поддиапазонах: 25-250, 250-2500, 2500-25000 Гц при коэффициенте нелинейных искажений (клирфакторе) не более 0,3 % и напряжении генерируемого сигнала на выходе 1,5 В.

Питание генератора постоянным стабилизированным напряжением 15 В осуществляется от любого источника, способного отдать ток до 30 мА.

Принципиальная схема генератора показана на рис. 7.



Рис. 7. Принципиальная схема звукового генератора


Генератор собран по классической схеме с использованием моста Вина на операционном усилителе DA1 типа К140УД8А. Выход микросхемы (вывод 7) подключен к базе транзистора VT2, который используется в схеме эмиттерного повторителя, нагруженного резисторами R13 и R14. С эмиттера транзистора сигнал поступает на неинвертирующий вход операционного усилителя (вывод 4) через мост Вина. Последовательное плечо этого моста образовано резистором R9, R10 или R11 и конденсатором С3.2, а параллельное плечо — резистором R3, R4 или R5 и конденсатором С3.1. По этой цепи осуществляется положительная обратная связь, благодаря которой происходит генерация синусоидальных колебаний такой частоты, на которую настроен мост Вина. Эта частота определяется произведением сопротивлений резисторов моста на емкости конденсаторов:


где частота f выражается в герцах, сопротивления R — в омах, емкости С — в фарадах. При этом сопротивления резисторов и емкости конденсаторов в обоих плечах должны быть одинаковыми, например R3 = R9, С3.1 = С3.2. Таким образом, для изменения частоты генерации в качестве элемента настройки могут быть выбраны либо оба резистора, которые должны быть переменными и в любом положении иметь одинаковые сопротивления, либо оба конденсатора, что удобнее, так как промышленностью выпускаются двухсекционные агрегаты конденсаторов переменной емкости для радиоприемников. Сдвоенные же переменные резисторы обладают худшей идентичностью сопротивлений в разных положениях ротора.

С части нагрузки эмиттерного повторителя, переменного резистора R14 снимается выходной сигнал генератора и через разделительный конденсатор С4, отделяющий постоянную составляющую напряжения, поступает на клемму «Выход 1:1». Резисторы R15 и R16 образуют декадный выходной делитель для получения сигнала на клемме «Выход 1:10» уровнем в 10 раз меньшим, чем на основном выходе.

Для поддержания постоянной амплитуды генерируемого сигнала, что обеспечивает хорошую форму сигнала и малый клирфактор, служит цепь отрицательной обратной связи с выхода эмиттерного повторителя на инвертирующий вход операционного усилителя (вывод 3). В эту цепь входят полевой транзистор VT1, диод VD1, переменный резистор R7 и другие детали.

Печатная плата размерами 50х83 мм представлена на рис. 8.



Рис. 8. Печатная плата звукового генератора

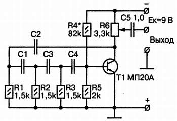
1.6. Простой RC-генератор

Шушурин В. [6]


Этот очень простой генератор собран всего на одном транзисторе с минимальным числом компонентов. Его можно использовать в качестве сигнализатора, если к форме генерируемых им колебаний не предъявляется строгих требований.

Принципиальная схема генератора приведена на рис. 9.



Рис. 9. Принципиальная схема простого генератора


Транзистор выполняет функции усилителя звуковой частоты по схеме с общим эмиттером и резистором нагрузки в цепи коллектора (R6), но с его коллектора усиленный сигнал подается в цепь базы через трехзвенный частотный фильтр, состоящий из резисторов R1, R2, R3, R5 и конденсаторов С1, СЗ, С4. Благодаря этому фильтру на определенной частоте осуществляется сдвиг фазы сигнала, необходимый для выполнения условий генерации, а эта обратная связь становится положительной.

Конденсатор С2 — разделительный, а резистором R4 устанавливается рабочий режим базы. С помощью переменного резистора R6 можно изменять уровень выходного сигнала. Емкости конденсаторов частотного фильтра для получения определенной частоты генерации можно определить по следующей формуле:

C = 0.065/RF

где:

С — емкость конденсаторов C1 = С2 = СЗ = С4 в фарадах;

R — сопротивления резисторов R1 = R2 = R3 в омах;

F — частота генерируемых колебаний в герцах.

Глава 2 ЭЛЕКТРОНИКА В МЕДИЦИНЕ

2.1. «Электрический стул» для носа

Гончар Г. [7]


Подобно укалыванию иглой биологически активных точек (БАТ) аналогичные результаты достигаются воздействием на БАТ электрическими импульсами. При этом обеспечивается безболезненность и стерильность.

Принципиальная схема прибора представлена на рис. 10.



Рис. 10. Принципиальная схема прибора для акупунктуры носа


Переменный резистор R1 служит для установки уровня тока в цепи, резистор R2 ограничивает максимальный ток величиной 0,9 мА. ЛЭ — лечебный электрод, который вводится в ноздрю на глубину 5–7 см, ОЭ — общий электрод, который держат в руке.

Перед процедурой переменный резистор R1 устанавливают в нижнее по схеме положение и включают питание тумблером SA1. Затем регулятором уровня R1 устанавливают ток, равный 70–80 мкА, и производят поиск БАТ, поворачивая и перемещая лечебный электрод. При этом ток течет от плюса батареи через общий электрод, тело пациента, лечебный электрод, микроамперметр, резисторы R2 и R1, SA1 на минус батареи. Найдя БАТ и вновь установив ток на уровне 70–80 мкА, выключают питание тумблером SA1 и переключают SB1 в нижнее по схеме положение. Теперь возбужденный нерв сам становится на короткое время источником тока, который протекает от ЛЭ через тело пациента, ОЭ, РА1, R2, R1, ЛЭ и индицируется прибором.

2.2. Устройство для лечения магнитным полем

Стахов Е. [8]


Прибор можно использовать в качестве обезболивающего устройства при головной боли, ревматизме, а также стимулятора при неврозах и переутомлении.

Принципиальная схема прибора показана на рис. 11.



Рис. 11. Принципиальная схема прибора магнитотерапии


В исходном состоянии конденсатор С2 разряжен, а после включения одного или нескольких тумблеров S1, S2, S3 начинает периодически заряжаться и разряжаться под воздействием таймера DD1. При этом через обмотку электромагнита L1 протекает импульсный ток, частота повторения которого определяется емкостью конденсатора С2 и сопротивлением зарядно-разрядной цепи. Диод VD1 служит для защиты таймера от напряжения противоЭДС, возникающего при работе.

Три тумблера дают возможность семи комбинаций их включения, что соответствует получению дискретных значений частоты повторения импульсов от 0,74 до 5,2 Гц. Питание устройства производится от батареи напряжением от 5 до 16 В при токе потребления от 15 до 50 мА и зависит от желаемой дозы. Конструкция электромагнита приведена на рис. 12.



Рис. 12. Эскиз электромагнита


Катушка электромагнита содержит 4300 витков провода ПЭЛ диаметром 0,09 мм. Внутрь катушки вставлен сердечник из магнитомягкой стали с резьбой на хвостовике для крепления к монтажной плате.

Использование устройства состоит в прикладывании торца сердечника электромагнита к больному месту. Частота импульсов путем включения комбинации тумблеров подбирается экспериментально. Обычно более низкие частоты применяют при ревматических болях, а более высокие — при головных. Длительность сеанса — порядка 15 минут в день.

2.3. «Антимигреневый» генератор

Шустов М. [9]


Давно установлено, что светотерапия и цветотерапия способны корректировать состояние человека, воздействовать на его самочувствие, лечить неврозы. Снять приступы мигрени удается, изменяя частоту вспышек света в пределах от 0,5 до 50 Гц и его яркость. Схема одного из возможных генераторов такого назначения приведена на рис. 13.



Рис. 13. Принципиальная схема генератора против мигрени


Задающий генератор образован симметричным мультивибратором, который собран на лавинных транзисторах микросхемы К101КТ1А. Частота повторения импульсов, генерируемых этой схемой, определяется емкостью конденсаторов С1 и С2 и сопротивлениями резисторов, включенных в цепи эмиттеров. Изменять частоту в пределах от 1 до 33 Гц можно регулировкой напряжения, снимаемого с делителя, образованного резисторами R3 и R4. Импульсные последовательности с эмиттеров мультивибратора через диоды VD2 и VD3 подаются на базы транзисторов VT1 и VT4, которые служат усилителями тока и собраны по схеме с общим коллектором. В цепи эмиттеров этих транзисторов включены светодиоды VD1 и VD2. Один из них может быть типа АЛ307Б красного цвета, а другой — АЛ307Г зеленого цвета. Вместо транзисторов П416 можно использовать ГТ308А.

2.4. Помощник для слепых

Коваль А. [10]


Это устройство представляет собой простейший звуковой генератор, частота которого и тон звука определяются освещенностью фоторезистора.

Принципиальная схема генератора показана на рис. 14.



Рис. 14. Принципиальная схема помощника для слепых


Все устройство помещается в цилиндрический корпус фонаря, рассчитанного на использование двух гальванических элементов 373. Плата с элементами устройства устанавливается вместо одного из гальванических элементов, а второй используется для питания. Фоторезистор устанавливается вместо лампочки, а в отверстие кнопки выводится ось переменного резистора R5, которым можно регулировать высоту тона. Если на место стекла установить линзу, подобрав ее фокусное расстояние так, чтобы свет фокусировался на фоторезисторе, чувствительность устройства значительно возрастет. Такой «антифонарь» позволяет определять направление на свет.

2.5. Горный воздух в комнате

Иванов Б. [11]


Для насыщения воздуха в помещении отрицательными ионами предлагается конструкция электроэффлювиальной люстры, на которую подается высокое напряжение, приводящее к ионизации окружающего воздуха.

Принципиальная схема такого устройства приведена рис. 15.



Рис. 15. Схема литания электроэффлювиальной люстры


Устройство питается от электросети напряжением 220 В через сетевой трансформатор Тр1, вторичная обмотка которого подключена к мостовому выпрямителю на диодах Д1-Д4. Выпрямленное напряжение сглаживается конденсатором С1 и поступает в качестве питания на генератор с индуктивной обратной связью, собранный по симметричной схеме на транзисторах Т1 и Т2. Рабочий режим генератора обеспечивают резистор R1 и конденсатор С2. С повышающей вторичной обмотки III переменное напряжение частотой около 4000 Гц поступает на выпрямитель с умножением напряжения в шесть раз. В результате суммарное высокое напряжение на конденсаторах С6, С7 и С8 достигает 30 кВ и подается на электроэффлювиальную люстру.

Сетевой трансформатор Тр1 собран на сердечнике Ш20, толщина набора 30 мм, первичная обмотка содержит 2200 витков провода ПЭЛ диаметром 0,25 мм, вторичная обмотка — 120 витков провода ПЭЛ диаметром 1,2 мм.

Повышающий трансформатор Тр2 собран на ферритовом С-образном сердечнике от строчного трансформатора ТВС-110, обмотка 1-14 витков провода ПЭЛ диаметром 0,8 мм с отводом от середины, обмотка II — 6 витков того же провода с отводом от середины, обмотка III — 8000 витков провода ПЭЛШО диаметром 0,08 мм. Эскиз электроэффлювиальной люстры представлен на рис. 16.



Рис. 16. Эскиз электроэффлювиальной люстры


Люстра выполнена из металлического кольца диаметром 750-1000 мм, на которое припаяны взаимно перпендикулярные медные провода диаметром 0,8 мм, образующие часть сферы. На пересечениях проводов к ним припаяны иголки длиной около 50 мм и толщиной 0,3 мм.

Диоды сетевого выпрямителя Д303 можно заменить современными диодами типа КД202А, высоковольтные выпрямительные столбы Д1008 — столбами КЦ105Д, имеющими значительно меньшие габариты. Конденсаторы С3-С8 должны выдерживать напряжение 10 кВ, так можно использовать конденсаторы типа КОБ с рабочим напряжением 12 кВ, использовавшиеся в телевизорах.

Глава 3 ОХРАННЫЕ УСТРОЙСТВА

3.1. Сторожевое устройство

Карелин С. [12]


Любое охранное устройство должно быть рассчитано на допуск в охраняемую зону владельца или доверенных лиц без возбуждения сигнала тревоги. Это реализуется разными методами, а в предлагаемом устройстве используется так называемый магнитный ключ, представляющий собой небольшой постоянный магнит, которым воздействуют на геркон (магнитоуправляемый контакт). Принципиальная схема сторожевого устройства показана на рис. 17.



Рис. 17. Принципиальная схема сторожевого устройства


Устройство содержит две микросхемы — DD1, в которой из четырех триггеров использованы два, и DD2, в которой из шести инверторов четыре соединены параллельно, а также использованы входы блокировки (вывод 4) и запрета (вывод 12). Перед выходом из помещения тумблером SA1 включается питание и начинают заряжаться конденсаторы С1 и С4. При этом первый триггер DD1 устанавливается в состояние «1», а второй — в состояние «0». На вход запрета DD2 поступает уровень «1», в результате чего на всех шести выходах DD2 устанавливается уровень «0». Поэтому горит светодиод HL1, сигнализируя о включении схемы, а тиристор VS1 заперт. Состояние дверного контакта S1 не влияет на работу, поскольку действует запрет. По мере заряда конденсатора С4 потенциал вывода 12 падает и через 40–50 с достигает уровня «0», чем снимается запрет. За это время можно выйти из помещения и закрыть дверь, замкнув контакты S1. На выводе 14 DD2 появляется высокий уровень, и светодиод гаснет, указывая на наступление режима охраны.

Если теперь открыть дверь, разомкнув контакты S1, высокий уровень на выводе 2 DD2 поступит на вход R1 DD1, переводя первый триггер в нулевое состояние. Уровень «0» с вывода 2 DD1 поступит на четыре входа DD2, и в результате на этих выходах образуется высокий уровень, которым отопрется тиристор, сработает реле К1 и контактами К1.1 включит сигнализацию.

Для допуска в помещение доверенных лиц служит геркон SF1, размещенный в секретном месте у входа в помещение.

При воздействии на него магнитом второй триггер DD1 переводится в состояние «1», и высокий уровень поступает на вход блокировки DD2. Поэтому на ее выходах принудительно создается низкий уровень, тиристор остается запертым, и сигнализация включена не будет.

Большим достоинством этого устройства является минимальное потребление энергии, благодаря чему можно использовать автономный источник питания. На рис. 18 приводится эскиз печатной платы устройства.



Рис. 18. Эскиз печатной платы сторожевого устройства


В качестве электромагнитного реле К1 автор рекомендовал использовать РЭС-55А, паспорт РС4.569.607П2 или РС4.569.600-06 (согласно ГОСТ 16121-86), однако реле этого типа допускают напряжение между контактами не более 36 В. Если контактами К1.1 должно коммутироваться напряжение 220 В при токе между контактами до 300 мА, лучше использовать реле РЭС-10, паспорт РС4.524.308П2 или РС4.529.031-07 (согласно ГОСТ 16121-86).

3.2. Сирены личной охраны

Шустов М. [13]


Сирены этого класса в носимом варианте рассчитаны на индивидуальное применение для защиты от хулиганов, но могут также использоваться в составе систем охранной сигнализации или монтироваться внутрь кейсов или чемоданов.

Предлагаемая сирена может питаться от автономного источника энергии и в ждущем режиме потребляет единицы микроампер. Схема задающего модуля сирены показана на рис. 19.



Рис. 19. Принципиальная схема задающего модуля сирены


Задающий модуль сирены собран на элементах 2ИЛИ-НЕ микросхемы К561ЛЕ5. Элементы DD1.1 и DD1.2 образуют импульсный генератор, собранный по традиционной схеме с емкостной обратной связью через конденсатор С1. На элементах DD1.3 и DD1.4 собран симметричный триггер, обеспечивающий получение на выходе (вывод 2) прямоугольных колебаний типа «Меандр».

Принципиальная схема сирены с задающим модулем приведена на рис. 20.



Рис. 20. Принципиальная схема сирены личной охраны


В исходном состоянии контакты тревоги SB1 разомкнуты, составной транзистор, образованный парой VT1, VT2, заперт, и генерация задающего модуля отсутствует. При замыкании контактов SB1 конденсатор С1 быстро заряжается от источника питания, и отпирается составной транзистор VT1/VT2. В результате выводы 3 и 5 задающего модуля заземляются и возникает генерация. Прямоугольные импульсы с выхода задающего модуля поступают на базу составного транзистора VT3/VT4, он отпирается каждым импульсом, и динамическая головка ВА1 воспроизводит звук, частота которого определяется задающим модулем. После размыкания контактов SB1 конденсатор С1 медленно разряжается, и через 2–3 минуты составной транзистор VT1/VT2 запирается, что приводит к прекращению генерации сигнала.

3.3. Детектор вибраций [14]

Чувствительным элементом этой конструкции является пьезоэлектрическая пластина от зуммера, резонансная частота которой находится в пределах от 1500 до 3000 Гц. Это позволяет обнаруживать импульсные сигналы на фоне сильных фоновых шумов.

Принципиальная схема детектора приведена на рис. 21.



Рис. 21. Принципиальная схема детектора вибраций


Функции микрофона ВМ1 выполняет пьезоэлектрическая пластина, приклеенная к стеклу окна. Сигнал усиливается операционным усилителем DA1 и выпрямляется диодом VD1. Выпрямленным током заряжается конденсатор С2 через резисторы RP1 и R5. При достижении напряжением на С2 порога срабатывания триггера, собранного на элементах 2ИЛИ-НЕ DD1.1 и DD1.2, он перебрасывается, на выводе 4 появляется высокий уровень, которым отпирается транзистор VT1, и с небольшой задержкой благодаря конденсатору С5 срабатывает реле К1. Контакты этого реле используются в охранной системе. Устройство питается от батареи с напряжением 9-15 В, которое поступает на электронный стабилизатор DA2 с выходным напряжением 5 В.

В качестве операционного усилителя можно использовать К544УД2, элементы DD1.1 и DD1.2 — из микросхемы К561ЛЕ5, стабилизатора DA2 — КР142ЕН5А, транзистора — КТ315Б, УБ1-1ГД507А, УБ2-Д223Б.

Чувствительность детектора можно регулировать переменным резистором RP1.

3.4. Охранное устройство

Герасев Е. [15]


Это охранное устройство так же, как описанное в разделе 3.1, для доступа в помещение доверенных лиц использует «магнитный ключ», но построено иначе.

Принципиальная схема этого устройства приведена на рис. 22.



Рис. 22. Принципиальная схема охранного устройства


Здесь используются две микросхемы 176-й серии: DD1 — 4 элемента 2ИЛИ-НЕ и DD2 — 4 элемента 2И-НЕ. При подаче питания медленно заряжаются конденсаторы С1 и С2 соответственно через резисторы R1 и R2. Заряд длится 30–40 с, и за это время нужно успеть покинуть помещение и закрыть дверь. С момента включения и в процессе заряда конденсатора С1 на входе 2 DD2.1 действует низкий уровень, значит, на выходе 3 DD2.1 — высокий уровень. Элементы DD2.1 и DD2.2 образуют триггер, для которого активным сигналом является отрицательный перепад напряжения. Поэтому после того как С1 зарядится и на вход 2 DD2.1 поступит высокий уровень, состояние триггера не изменится и на выходе 3 DD2.1 останется высокий уровень. Поэтому на выходе 11 DD1.4 действует низкий уровень, запирающий мультивибратор, собранный на элементах DD2.3 и DD2.4.

При включении на входах DD1.3 — низкий уровень, на выходе — высокий, что не нарушает работу элемента DD1.4. Когда конденсатор С2 зарядится и на вход DD1.3 поступит высокий уровень, на его выходе образуется низкий уровень, но и он не сможет изменить состояние элемента ИЛИ-НЕ. Так что сигнал тревоги не возникает.

Если разомкнуть дверные контакты S1, на вход 5 DD2.2 поступит низкий уровень, который переключит триггер. Теперь на выходе 3 DD2.1 и на входе 12 DD1.4 образуется низкий уровень. В то же время после того как конденсатор С2 зарядился, на выходе DD1.3 и на входе 13 DD1.4 действует низкий уровень. Поэтому на его выходе образуется высокий уровень, которым включается мультивибратор, и звучит сигнал тревоги.

Чтобы войти в помещение, не инициируя тревоги, достаточно с помощью магнита замкнуть контакты геркона SF1, разрядив конденсатор С2. Тогда на входе 13 DD1.4 образуется высокий уровень, что приведет к низкому уровню на его выходе, и сигнала тревоги не последует.

В качестве реле автор рекомендует использовать РЭС-22, соединив параллельно группы контактов для увеличения пропускаемого тока и используя для питания выпрямитель, что нельзя признать достоинством. Группы контактов замыкаются и размыкаются отнюдь не одновременно. Поэтому их параллельное соединение не увеличивает допустимый ток. А питание обмотки реле от сети позволит злоумышленнику легко проникнуть в охраняемое помещение, предварительно обесточив его, что обычно достижимо снаружи. Поэтому можно рекомендовать использование реле типа РЭС10, паспорт РС4.524.308П2 или РС4.529.031-07 (согласно ГОСТ 16121-86).

Глава 4 РЫБАКУ И АКВАРИУМИСТУ

4.1. Электронная «приманка» для рыб

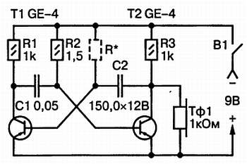
Васильев В. [16]


Оказывается, рыбы и издают звуки, и слышат их. Некоторые крупные рыбы обнаруживают заинтересованность источниками звука, особенно импульсного характера. Схема простейшего генератора такого звука приведена на рис. 23.



Рис. 23. Принципиальная схема электронной «приманки» для рыб


Схема представляет собой несимметричный мультивибратор, собранный на двух транзисторах с емкостными связями.

В качестве нагрузки используется головной телефон. Частота повторения импульсов может регулироваться путем подбора сопротивления резистора R*, показанного на схеме штриховой линией.

Устройство размещается в пластмассовом герметичном футляре с окном, к которому прижата мембрана телефона. Внутрь также помещается батарея «Крона» и кнопочный микровыключатель В1, которым можно управлять, нажимая на кнопку через стенку футляра.

В качестве транзисторов можно использовать МП41 или ГТ308А, телефон — типа ТОН-2.

4.2. Береговой лот

Семенов И. [17]


Прибор предназначен для измерения глубины водоема. Принцип действия лота основан на измерении давления воды.

Принципиальная схема устройства показана на рис. 24.



Рис. 24. Принципиальная схема лота


Светодиод VD1 и фоторезистор RL1 образуют датчик, предназначенный для погружения в воду на дно, который тремя проводами соединяется с остальными элементами схемы. В зависимости от глубины погружения увеличивается давление воды на чувствительный элемент датчика и уменьшается освещенность фоторезистора, что регистрируется стрелочным прибором РА1. Конструкция датчика приведена на рис. 25.



Рис. 25. Конструкция датчика лота


Корпус датчика выполнен из металлической трубки. Нижний торец закрыт мембраной из резины с тканевой прослойкой толщиной 3–4 мм. В центре мембраны крепится стержень круглого сечения диаметром 5 мм с коническим концом, который входит в отверстие втулки. Перпендикулярно оси втулки в ней просверлено сквозное отверстие диаметром 4,85 мм, в котором с одной стороны помещен светодиод, а с другой — фоторезистор. Три провода марки МГТФ-0,35 выходят из корпуса через верхнюю заглушку и обмотаны липкой лентой.

Источником питания лота служит батарея «Кронам напряжением 9 В. Стрелочный прибор — микроамперметр магнитоэлектрической системы с полным отклонением стрелки 50 или 100 мкА.

4.3. Автомат кормит аквариумных рыб

Нечаев И. [18]


Автомат каждый день по утрам выполняет кормление аквариумных рыб с помощью дозатора, функции которого исполняет электромагнит, управляемый транзисторным ключом.

Принципиальная схема автомата представлена на рис. 26.



Рис. 26. Принципиальная схема автомата для кормления рыб


Устройство содержит светочувствительный элемент, в качестве которого используется фоторезистор R1, триггер Шмитта, собранный на элементах DD1.1 и DD1.2 микросхемы DD1 типа К561ЛЕ5, формирователь импульсов постоянной длительности для подачи корма на элементах DD1.3 и DD1.4 и электронный ключ на транзисторах VT1, VT2, нагруженный электромагнитом дозатора Y1.

В темное время суток сопротивление фоторезистора значительно больше R2, и на входе триггера Шмитта низкий уровень напряжения. Также низкий уровень действует на выходе триггера Шмитта, на входе элемента DD1.3 и на выходе DD1.4. Поэтому транзисторы ключа заперты, и электромагнит дозатора отключен.

С наступлением рассвета сопротивление фоторезистора уменьшается, напряжение на входе триггера Шмитта нарастает, и, когда оно достигнет порога срабатывания, триггер опрокидывается. На выходе элемента DD1.2 появляется высокий уровень и начинается заряд конденсатора С3 через резистор R6. При этом на входе DD1.3 и на выходе DD1.4 оказывается высокий уровень, ключ отпирается, и срабатывает электромагнит дозатора. Длительность подачи корма определяется длительностью заряда конденсатора С3: по мере заряда уровень напряжения на входе DD1.3 уменьшается и достигает порога запирания. Тогда ключ запирается и электромагнит выключается. Этот режим продолжается до тех пор, пока не стемнеет и схема возвратится в исходное состояние.

Эскиз печатной платы и расположение элементов схемы приведены на рис. 27.



Рис. 27. Эскиз печатной платы автомата


Питание устройства осуществляется от сети переменного тока напряжением 220 В с помощью обычного блока питания, схема которого приведена на рис. 28.



Рис. 28. Принципиальная схема блока питания автомата

4.4. Электромеханический «рыболов»

Виноградов Ю. [19]


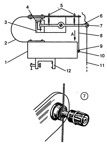
Устройство предназначено для автоматической подсечки рыбы после нескольких поклевок, число которых определено схемой. Принцип действия конструкции поясняется кинематической схемой, приведенной на рис. 29.



Рис. 29. Кинематическая схема автомата


Здесь:

1. Футляр из пластмассы, в котором размещается электронный блок;

2. Плоская пружина из фосфористой бронзы;

3. Изоляционная пластина;

4. Контактная скоба;

5. Узлы крепления пружин;

6. Подпружиненное коромысло;

7. Зажим лески;

8. Стальная тяга;

9. Серьга зацепа с резьбой;

10. Вал редуктора с резьбой;

11. Леска;

12. Струбцинка крепления автомата.


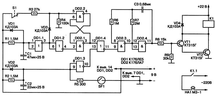
В настороженном состоянии, показанном на рисунке, леска 11 натянута грузилом и закреплена на конце коромысла в узле 7. Пружина 2 является движителем автомата: в согнутом состоянии она удерживается тягой 8, на конце которой находится серьга 9. В резьбовое отверстие серьги на несколько витков ввернут хвостовик вала редуктора 10. При подаче питания на электродвигатель шестерня его вала вращает шестерню редуктора, его вал выворачивается из серьги, они разъединяются, и пружина 2 резко распрямляется, дергая леску и производя подсечку. Момент включения двигателя определяется электрической схемой автомата, приведенной на рис. 30.



Рис. 30. Принципиальная схема автомата


SF1 — Контакты между коромыслом и скобой, в настороженном состоянии разомкнуты и замыкаются при поклевке;

SF2 — Контакты между валом редуктора и серьгой;

SA1 — Двухполюсный тумблер-переключатель, при налаживании и насадке наживки контакты SA1.1 замкнуты, a SA1.2 разомкнуты;

SA2 — Переключатель, которым устанавливается число поклевок, после которых происходит подсечка;

SA3 — Переключатель, которым устанавливается временной интервал, в течение которого осуществляется счет числа поклевок.

Элементы 2И-НЕ DD1.1 и DD1.2 образуют одновибратор, назначение которого состоит в устранении дребезга контактов SF1. При первой поклевке сигнал датчика SF1 активизирует счетчик DD3, положительный перепад с его вывода 3 через диод VD1 запускает генератор импульсов, собранный на элементах DD2.2 и DD2.3. Импульсы с частотой повторения около 1 Гц поступают на счетчик DD4, и в зависимости от положения переключателя SA3 через 2, 4 или 8 с сигнал поступает на вход 13 элемента DD2.1, а с выхода 11 DD1.3 — нa входы R счетчиков DD3 и DD4, возвращая их в нулевое состояние. Таким образом, если за время указанного промежутка не поступили следующие сигналы поклевок, первый сигнал считается ошибочным, и схема возвращается в исходное состояние.

Кроме того, при первом сигнале поклевки с вывода 3 DD3 перепадом напряжения запускается генератор звуковой частоты, собранный на элементах DD2.4 и DD1.4. Звуковой сигнал усиливается транзисторами VT3, VT4 и воспроизводится динамической головкой НА1, извещая рыбака о начале поклевки.

Если за первым сигналом поступают следующие, микросхема DD3 их считает, и, когда их число соответствует установке переключателя SA2, сигнал через R5 поступает на выходной усилитель, собранный на транзисторах VT1, VT2, которыми включается электродвигатель M1. В результате происходит подсечка, а размыкание контактов SF2 приводит к обнулению счетчиков DD3 и DD4.

Глава 5 ЭЛЕКТРОННЫЕ ТЕРМОМЕТРЫ

5.1. Термометр с полупроводниковым датчиком. [20]

Термочувствительным элементом в этой конструкции является эмиттерный переход кремниевого транзистора, падение напряжения на котором при стабильном токе пропорционально температуре перехода и составляет около 2,5 мВ на каждый градус Цельсия. Термометр рассчитан на измерение температуры от 0 до +100 °C.

Принципиальная схема термометра приведена на рис. 31.



Рис. 31. Принципиальная схема термометра с транзисторным датчиком


На транзисторе VT3 и диодах VD1, VD2 собран генератор тока, благодаря которому термометр сохраняет точность измерений при снижении напряжения батареи с 9 до 6,5 В. Датчик температуры выполнен на транзисторе VT1, через который резистором R2 устанавливается стабильный ток, равный 100 мкА.

Термодатчик и резисторы R1, R2, R8 и R9 образуют мост, в одну диагональ которого (коллектор VT3 — минус батареи) включено питание, а в другую — базы транзисторов (VT2-VT4). Эти транзисторы и резисторы R4, R6 также образуют мост, в диагональ которого включен стрелочный прибор РА1 с добавочными резисторами R3, R7. Помимо использования генератора тока, питание мостовой схемы стабилизировано стабилитроном VD3.

В связи с линейной зависимостью падения напряжения на эмиттерном переходе транзистора VT1 от температуры, градуировку термометра достаточно выполнить всего в двух точках, для чего нет необходимости в эталонном термометре. Этими точками являются температура таяния снега и температура кипения воды. Погружая датчик в воду со снегом, переменным резистором R8 устанавливают стрелку прибора на нулевое деление шкалы. Затем, погружая датчик в кипящую воду, переменным резистором R3 устанавливают стрелку на максимальное деление шкалы. При использовании микроамперметра с полным отклонением стрелки, равным 100 мкА, его шкала без переделки будет показыватьтемпературу датчика в градусах Цельсия.

В качестве транзистора VT1 можно использовать КТ342В, а остальных — КТ349Б. В качестве диодов VD1, VD2 — КД521.

Датчик должен иметь герметичную конструкцию.

Термометром можно также измерять отрицательные температуры до -25 °C. Для этого достаточно сдвинуть нуль температуры вправо, например на двадцатое деление шкалы. Но при этом потребуются либо нанесение новой шкалы, либо таблица соответствия делений шкалы температуре.

5.2. Электронный термометр

Власов Ю. [21]


В этой конструкции термочувствительным элементом является кремниевый диод, включенный в прямом направлении. Он выполнен в виде зонда, который можно вводить в труднодоступные точки аппаратуры для контроля температурного режима.

Конструкция зонда показана на рис. 32.



Рис. 32. Конструкция температурного зонда


Здесь:

1 — фторопластовая трубка длиной 8 мм;

2 — наружная оболочка коаксиального кабеля РК75-1-22;

3 — центральная жила кабеля;

4 — оплетка кабеля;

5 — эпоксидная смола.

Другой конец кабеля подключают к прибору с помощью стандартного соединителя (разъема). Термометр рассчитан на измерение температуры в пределах от 0 до +100 °C.

Принципиальная схема термометра показана на рис. 33.



Рис. 33. Принципиальная схема электронного термометра


Датчик и резисторы R1-R4 образуют мост постоянного тока, в одну из диагоналей которого подается питание напряжением 9 В, а во вторую диагональ включен вольтметр на операционном усилителе DA1. При указанных на схеме сопротивлениях резисторов полное отклонение стрелки измерительного прибора PV1 соответствует напряжению 1 В.

Если используется микроамперметр на 100 мкА, последовательно с ним нужно включить добавочный резистор, сопротивление которого вместе с собственным сопротивлением рамки прибора должно быть равно 10 кОм.

Для получения двуполярного питания операционного усилителя используется блок питания, принципиальная схема которого показана на рис. 34.



Рис. 34. Принципиальная схема блока питания электронного термометра


Для работы этого блока питания необходим любой униполярный выпрямитель с выходным напряжением 25 В, которое подается на интегральный стабилизатор напряжения 18 В. Далее оно делится, и с помощью стабилитрона VD1 формируется средняя точка.

Постоянные резисторы измерительного моста R1-R3 для высокой стабильности должны быть, например, типа С2-29В.

5.3. Быстродействующий термометр

Шелестов И. [22]


В этом приборе термочувствительным элементом является терморезистор типа СТЗ-19, который имеет малую массу и благодаря этому малоинерционен. Термометр предназначен для измерения температуры работающей микросхемы, транзистора или другого элемента для предупреждения выхода аппаратуры из строя.

Принципиальная схема термометра представлена на рис. 35.



Рис. 35. Принципиальная схема быстродействующего термометра


Питание на схему термометра поступает либо от внешнего источника, либо от встроенной батареи в зависимости от соответствующего положения переключателя SA1. Диод VD1 препятствует повреждению прибора при подключении внешнего источника питания в неправильной полярности. С помощью резистора R1 и стабистора VD2 напряжение питания стабилизируется на уровне 1,7 В.

Терморезистор R10 и постоянные резисторы R5, R8, R9 образуют мост постоянного тока, к одной диагонали которого поступает питание со стабистора, а к другой диагонали подключен вольтметр, образованный микроамперметром РА1 и добавочным резистором R6 или R7.

Прибор имеет два диапазона измерений: при разомкнутых контактах SA3 — от 0 до +40 °C, при замкнутых контактах — от +30 до +40 °C. Эти пределы могут быть сдвинуты с помощью переменного резистора R9. Градуировка термометра производится с помощью термокамеры, в которой автоматически поддерживается установленная температура.

Схема рассчитана на использование микроамперметра РА1 типа M1691 с током полного отклонения стрелки 10 мкА и многооборотных переменных резисторов типа СП5-2.

5.4. Медицинский термометр

Алексиев Д. [23]


С помощью этого термометра можно измерять температуру тела в пределах от +20 до +44 °C или проверить отклонение температуры в пределах ±2 °C от ранее установленного значения. В качестве термочувствительного элемента в схеме задействован терморезистор.

Принципиальная схема термометра приведена на рис. 36.



Рис. 36. Принципиальная схема медицинского термометра


Терморезистор R и резисторы R1-R4 образуют мост постоянного тока, в одну диагональ которого включен источник питания G1 с выключателем S2, а в другую — измеритель разбаланса моста. Измерение температуры тела производится при положении переключателя S1, показанном на схеме. Измерение разбаланса производится операционным усилителем при включении стрелочного прибора РА1 с добавочным резистором R7 в цепь отрицательной обратной связи. Элементы R8, С2 и С3 осуществляют частотную коррекцию. Конденсатор С1 препятствует влиянию наводок на операционный усилитель.

В нижнем положении переключателя S1 накоротко замыкается резистор R5, что приводит к увеличению коэффициента усиления операционного усилителя, а неинвертирующий вход переключается к движку переменного резистора R3. В результате полное отклонение стрелки микроамперметра соответствует изменениям температуры всего на 4 °C.

Движком R3 можно смещать стрелку прибора на середину шкалы при установленной температуре.

Операционный усилитель μА709 можно заменить на К153УД1А. В схеме используется микроамперметр РА1 с током полного отклонения стрелки 100 мкА. Терморезистор выбирается малых размеров для уменьшения необходимого времени измерения. Его сопротивление при температуре +20 °C может находиться в пределах от 500 до 5000 Ом.

Глава 6 УПРАВЛЕНИЕ ОСВЕЩЕНИЕМ

6.1. Звонок включает свет в прихожей

Александров И. [24]


Когда посетитель нажимает кнопку квартирного звонка, хозяину приходится добираться до входной двери в темноте, так как выключатель освещения прихожей всегда находится у входной двери. Предлагаемое устройство устраняет эту проблему.

Его принципиальная схема приведена на рис. 37.



Рис. 37. Принципиальная схема автомата


При нажатии посетителем кнопки SB1 переменное напряжение электросети 220 В оказывается приложено к звонку НА1, и он начинает звонить. При этом почти мгновенно заряжается конденсатор С1. Постоянная времени его заряда составляет всего 3 мс, так что за 10 мс он зарядится полностью, а посетитель даже не успеет снять палец с кнопки. Заряжается также и конденсатор С2, что приводит к отпиранию тиристора VS1, а падением напряжения на резисторе R5 отпирается тиристор VS2, благодаря чему зажигается вполнакала лампа EL1 в прихожей. Лампа продолжает гореть и когда посетитель отпустит кнопку, так как конденсатор С2 будет подзаряжаться от конденсатора С1 накопленным в нем количеством электричества. Поэтому после нажатия звонковой кнопки свет в прихожей может гореть примерно 30–40 с. Этого времени вполне достаточно, чтобы хозяин прошел в прихожую и с помощью выключателя Q1 зажег лампу в полный накал.

Неоновая лампочка HL1 подключена к напряжению сети через ограничительный резистор R1 постоянно, и удобнее всего вмонтировать ее в кнопку звонка. В качестве этой лампочки можно использовать ТН-0,2 или ТН-0,5. Мощность лампы (или ламп) освещения прихожей практически неограниченно.

6.2. Регулятор яркости светильника с плавным включением

Нечаев И. [25]


Этот регулятор предназначен для плавной регулировки яркости лампы накаливания в пределах от нуля до максимума, кроме того, при включении яркость также нарастает плавно, чем обеспечивается продление срока службы лампы.

Принципиальная схема устройства приведена на рис. 38.



Рис. 38. Принципиальная схема регулятора яркости


При замыкании контактов выключателя SB1 каждым полупериодом сетевого напряжения через резистор R5 начинает заряжаться конденсатор С2. По мере его заряда нарастает яркость свечения лампы светильника. Транзистор VT1 в это время заперт, так как постоянная времени заряда конденсатора С1 через резистор R1 значительно больше постоянной времени заряда С2. По мере заряда С1 сопротивление канала полевого транзистора VT1 уменьшается и яркость свечения лампы нарастает. Таким образом, время нарастания яркости определяется емкостью С1. После выключения светильника конденсатор С1 разряжается в течение 100 с. Поэтому повторное включение в течение этого срока не будет сопровождаться плавным нарастанием яркости.

Амплитудное значение сетевого напряжения составляет 311 В. Поэтому вместо тиристора КУ202К, для которого предельное напряжение в запертом состоянии составляет 300 В, нужно использовать тиристор КУ202М или КУ202Н.

Следует учесть, что вся система находится под напряжением сети переменного тока. Поэтому налаживание следует выполнять с соблюдением правил техники безопасности.

Эскиз печатной платы показан на рис. 39.



Рис. 39. Эскиз печатной платы регулятора яркости

6.3. Сенсорный выключатель светильника

Нечаев И. [26]


Предлагаемое устройство обеспечивает включение лампы светильника с помощью сенсора, то есть с полной гальванической развязкой пользователя и электросетью.

Принципиальная схема сенсорного выключателя приведена на рис. 40.



Рис. 40. Принципиальная схема сенсорного выключателя


Устройство питается от сети переменного тока напряжением 220 В с помощью выпрямительного моста VD5-VD8. В одну диагональ моста включена лампа светильника, а в другую — тиристор VS1. Лампа горит только в том случае, если тиристор открыт. Максимальная мощность лампы определяется допустимым выпрямленным током диодов моста и при использовании диодов КД105Б составляет 100 Вт.

Цифровая часть схемы содержит микросхемы DD1 — четыре триггера Шмитта и DD2 — два D-триггера, из которых используется только один. В исходном состоянии после подключения схемы к сети триггер Шмитта DD1.1 благодаря положительной обратной связи через резистор R1 генерирует положительные импульсы с частотой повторения примерно равной 10 кГц. Через резистор R2 и конденсатор связи С2 эти импульсы поступают на вход 12 триггера DD1.2. Переменным резистором R2 устанавливают минимальный уровень импульсов, при котором срабатывает DD1.2. Импульсная последовательность на выходе 11 DD1.2 приводит к заряду конденсатора С4 через диод VD1 во время импульса и к разряду этого конденсатора через резистор R4 — во время паузы. В связи с тем, что постоянная времени заряда меньше, чем разряда, напряжение на С4 нарастает и достигает максимума. Тогда на выходе элемента DD1.3 образуется низкий уровень, также низким будет уровень на прямом выходе 1 элемента DD2.1, и высокий уровень создается на выходе элемента DD1.4 и на базе транзистора VT1. Поэтому транзистор заперт и также заперт тиристор VS1, а лампа светильника не горит.

Прикосновение к сенсору Е1 приводит к появлению емкости на землю, благодаря чему уровень импульсов, поступающих на вход 12 DD1.2, уменьшается. Поэтому элемент DD1.2 не переключается, конденсатор С4 не заряжается, на выходе DD1.3 и на выходе 1 элемента DD2.1 образуется высокий уровень, а на выходе DD1.4 и на базе транзистора VT1 — низкий. В результате отпираются транзистор VT1 и тиристор VS1, что приводит к зажиганию лампы светильника.

Эскиз печатной платы с размещенными на ней элементами схемы приведен на рис. 41.



Рис. 41. Эскиз печатной платы сенсорного выключателя


Необходимо заметить, что указанный на схеме тиристор КУ202К допускает приложение к нему в запертом состоянии напряжения, не превышающего 300 В, а амплитудное значение напряжения сети составляет 311 В. Поэтому вместо тиристора КУ202К следует использовать КУ202М или КУ202Н, рассчитанные на приложение напряжения до 400 В.

6.4. Светорегулятор с выдержкой времени

Бжевский Л. [27]


Назначение этого регулятора помимо возможности вручную регулировать яркость свечения лампы накаливания состоит в значительном увеличении срока ее службы благодаря тому, что при включении полное напряжение питания подается на лампу с выдержкой времени. Сопротивление холодной нити лампы накаливания почти в 10 раз меньше, чем разогретой. Поэтому при прямом включении пусковой ток также в 10 раз превышает рабочий, что и является причиной частого выхода из строя ламп накаливания.

Принципиальная схема устройства приведена на рис. 42.



Рис. 42. Принципиальная схема светорегулятора


При замыкании выключателя SA1 в течение каждого полупериода сетевого напряжения протекает зарядный ток конденсатора С4 через следующие элементы схемы: R2, VD5, SA1, R8, VD8, R10. Падением напряжения на резисторе R10 отпирается транзистор VT3, который замыкает эмиттер транзистора VT2 на общий провод. По этой причине оба транзистора VT1 и VT2 оказываются заперты, тиристор VS1 закрыт и лампа светильника отключена.

По мере заряда конденсатора С4 ток заряда уменьшается, спадает отпирающее напряжение на базе транзистора VT3, который плавно запирается. Через резистор R6 начинается заряд конденсатора С2. Когда напряжение на нем достигнет напряжения на резисторе R4, открываются транзисторы VT1 и VT2. Тогда через них на управляющий электрод тиристора поступает напряжение с конденсатора С2, что приводит к отпиранию тиристора и зажиганию лампы светильника. По мере дальнейшего заряда С2 яркость лампы плавно нарастает.

Переменный резистор R6 служит для ручной установки яркости лампы от нуля до 98 %. Выдержка времени между моментом замыкания контактов SA1 и зажиганием лампы изменяется подбором емкости конденсатора С4 и сопротивления резистора R10. Стабилитроны VD6 и VD7 служат для стабилизации напряжения питания импульсной части схемы. Резистор R9 служит для разряда конденсатора С4 после выключения устройства. Диод VD8 предотвращает разряд конденсатора С4 через R8, R7 и R4. Неоновая лампочка HL1 сигнализирует о зажигании лампы светильника, если он располагается в другом помещении. Дроссель L1 и конденсатор С1 образуют фильтр нижних частот для подавления помех, возникающих при работе тиристора. Дроссель наматывается на стержень из феррита 600НН диаметром 8 мм и длиной 30 мм и содержит 150 витков провода ПЭВ-2 диаметром 0,8 мм.

Эскиз печатной платы светорегулятора с расположением на ней элементов схемы приведен на рис. 43.



Рис. 43. Эскиз печатной платы светорегулятора

Приложение ПРОВЕРКА РАДИОЭЛЕМЕНТОВ ОММЕТРОМ

Никитин В.


Почти каждый радиолюбитель располагает в качестве измерительного прибора авометром того или иного типа, в состав которого входит омметр. Однако не все начинающие радиолюбители знают, что омметром можно проверять почти все радиоэлементы: резисторы, конденсаторы, катушки индуктивности, трансформаторы и дроссели, диоды, тиристоры, транзисторы, некоторые микросхемы. В авометре омметр образован внутренним источником тока (гальваническим элементом или батареей), стрелочным прибором и набором резисторов, которые переключаются при изменении пределов измерения. Сопротивления резисторов подобраны таким образом, чтобы при коротком замыкании клемм омметра стрелка прибора отклонилась вправо до последнего значения шкалы. Это деление соответствует нулевому значению измеряемого сопротивления. Когда же клеммы омметра разомкнуты, стрелка прибора стоит напротив левого крайнего деления шкалы, которое обозначено значком бесконечно большого сопротивления. Если к клеммам омметра подключено какое-то сопротивление, стрелка показывает промежуточное значение между нулем и бесконечностью, и отсчет производится по оцифровке шкалы.

В связи с тем, что шкалы омметров сжаты по краям, наибольшая точность измерения соответствует положению стрелки в средней, растянутой части шкалы. Таким образом, если стрелка прибора оказывается у края шкалы, в сжатой ее части, для повышения точности отсчета следует переключить омметр на другой предел измерения.

Омметр производит измерение сопротивления путем измерения постоянного тока, протекающего в измерительной цепи. Поэтому к измеряемому сопротивлению прикладывается постоянное напряжение от встроенного в омметр источника. В связи с тем, что некоторые радиоэлементы обладают разными сопротивлениями постоянному току в зависимости от полярности приложенного напряжения, для грамотного использования омметра необходимо знать, какая из клемм омметра соединена с плюсом источника тока, а какая — с минусом. В паспорте авометра эти сведения обычно не указываются, и их нужно определить самостоятельно. Это можно сделать либо по схеме авометра, либо экспериментально с помощью какого-либо дополнительного вольтметра или исправного диода любого типа. Щупы омметра подключают к вольтметру так, чтобы стрелка вольтметра отклонялась вправо от нуля. Тогда тот щуп, который подключен к плюсу вольтметра, будет также плюсовым, а второй — минусовым. При использовании в этих целях диода его сопротивление измеряют дважды: сначала произвольно подключая к диоду щупы, а второй раз — наоборот. За основу берется то измерение, при котором показания омметра получаются меньшими. При этом щуп, подключенный к аноду диода, будет плюсовым, а щуп, подключенный к катоду диода, — минусовым.

При проверке исправности того или иного радиоэлемента возможны две различные ситуации: либо проверке подлежит изолированный, отдельный элемент, либо элемент, впаянный в какое-то устройство. Нужно учесть, что, за редкими исключениями, проверка элемента, впаянного в схему, не получится полноценной, и при такой проверке возможны грубые ошибки. Они связаны с тем, что параллельно контролируемому элементу в схеме могут быть подключены другие элементы, и омметр будет измерять не сопротивление проверяемого элемента, а сопротивление параллельного соединения его с другими элементами. Определить возможность достоверной оценки исправности контролируемого элемента схемы можно путем изучения этой схемы, проверяя, какие другие элементы к нему подключены и как они могут повлиять на результат измерения. Если такую оценку произвести затруднительно или невозможно, следует отпаять от остальной схемы хотя бы один из двух выводов контролируемого элемента и только после этого производить его проверку. При этом не следует забывать и о том, что тело человека также обладает некоторым сопротивлением, зависящим от влажности кожной поверхности и от других факторов. Поэтому при пользовании омметром во избежание появления ошибки измерения нельзя касаться пальцами обоих выводов проверяемого элемента.


Проверка резисторов

Проверка постоянных резисторов производится омметром путем измерения их сопротивления и сравнения с номинальным значением, которое указано на самом резисторе и на принципиальной схеме аппарата. При измерении сопротивления резистора полярность подключения к нему омметра не имеет значения. Необходимо помнить, что действительное сопротивление резистора может отличаться от номинального значения на величину допуска. Поэтому, например, если измеряется резистор с номинальным сопротивлением 100 кОм и допуском ±10 %, действительное сопротивление такого резистора может лежать в пределах от 90 до 110 кОм. Кроме того, сам омметр обладает определенной погрешностью измерения (обычно порядка 10 %). Таким образом, при отклонении фактически измеренного сопротивления на 20 % от номинального значения резистор следует считать исправным.

При проверке переменных резисторов измеряют сопротивление между крайними выводами, которое должно соответствовать номинальному значению с учетом допуска и погрешности измерения. Также необходимо измерять сопротивление между каждым из крайних выводов и средним выводом. Эти сопротивления при вращении оси из одного крайнего положения в другое должны плавно, без скачков изменяться от нуля до номинального значения. При проверке переменного резистора, впаянного в схему, два из его трех выводов необходимо выпаивать. Если переменный резистор имеет дополнительные отводы, допустимо, чтобы только один вывод оставался припаянным к остальной части схемы.


Проверка конденсаторов

В принципе конденсаторы могут иметь следующие дефекты: обрыв, пробой и повышенную утечку. Пробой конденсатора характеризуется наличием между его выводами короткого замыкания, то есть нулевого сопротивления. Поэтому пробитый конденсатор любого типа легко обнаруживается омметром путем проверки сопротивления между его выводами. Конденсатор не пропускает постоянного тока, его сопротивление постоянному току, которое измеряется омметром, должно быть бесконечно велико. Однако это оказывается справедливо лишь для идеального конденсатора. В действительности между обкладками конденсатора всегда имеется какой-то диэлектрик, обладающий конечным значением сопротивления, которое называется сопротивлением утечки. Его-то и измеряют омметром.

В зависимости от используемого в конденсаторе диэлектрика устанавливаются критерии исправности по величине сопротивления утечки. Слюдяные, керамические, пленочные, бумажные, стеклянные и воздушные конденсаторы имеют очень большое сопротивление утечки, и при их проверке омметр должен показывать бесконечно большое сопротивление. Однако имеется большая группа конденсаторов, сопротивление утечки которых сравнительно невелико. К ней относятся все полярные конденсаторы, рассчитанные на определенную полярность приложенного к ним напряжения, и эта полярность указывается на их корпусах. При измерении сопротивления утечки этой группы конденсаторов необходимо соблюдать полярность подключения омметра (плюсовой вывод омметра должен присоединяться к плюсовому выводу конденсатора), в противном случае результат измерения будет неверным. К этой группе конденсаторов в первую очередь относятся все электролитические конденсаторы — КЭГ, ЭГЦ, ЭМ, ЭМИ, К50, ЭТ, ЭТО, К51, К52 — и оксидно-полупроводниковые конденсаторы К53. Сопротивление утечки исправных конденсаторов этой группы должно быть не менее 100 кОм, а конденсаторов ЭТ, ЭТО, К51, К52 и К53 — не менее 1 МОм. При проверке конденсаторов большой емкости нужно учесть, что при подключении омметра к конденсатору, если он не был заряжен, начинается его заряд, и стрелка омметра делает бросок в сторону нулевого деления шкалы. По мере заряда стрелка движется в сторону увеличения сопротивления. Чем больше емкость конденсатора, тем медленнее движется стрелка. Отсчет сопротивления утечки следует производить только после того, как она практически остановится. При проверке конденсатора емкостью порядка 1000 мкФ на это может потребоваться несколько минут.

Внутренний обрыв или частичная потеря емкости конденсатором не могут быть обнаружены омметром, для этого необходим прибор, позволяющий измерять емкость конденсатора. Однако обрыв конденсатора емкостью более 0,2 мкФ может быть обнаружен омметром по отсутствию начального скачка стрелки во время заряда. Следует заметить, что повторная проверка конденсатора на обрыв по отсутствию начального скачка стрелки может производиться только после снятия заряда, для чего выводы конденсатора нужно замкнуть на короткое время.

Конденсаторы переменной емкости проверяются омметром на отсутствие замыканий. Для этого омметр подключается к каждой секции агрегата и медленно поворачивается ось из одного крайнего положения в другое. Омметр должен показывать бесконечно большое сопротивление в любом положении оси.


Проверка катушек индуктивности

При проверке катушек индуктивности омметром контролируется только отсутствие в них обрыва. Сопротивление однослойных катушек должно быть равно нулю, сопротивление многослойных катушек — близко к нулю. Иногда в паспортных данных аппарата указывается сопротивление многослойных катушек постоянному току, и на его величину можно ориентироваться при их проверке. При обрыве катушки омметр показывает бесконечно большое сопротивление. Если катушка имеет отвод, нужно проверить обе секции катушки, подключая омметр сначала к одному из крайних выводов катушки и к ее отводу, а затем — ко второму крайнему выводу и отводу.


Проверка низкочастотных дросселей и трансформаторов

Как правило, в паспортных данных аппаратуры или в инструкциях по ее ремонту указываются значения сопротивлений обмоток постоянному току, которые можно использовать при проверке трансформаторов и дросселей. Обрыв обмотки фиксируется по бесконечно большому сопротивлению между ее выводами. Если же сопротивление значительно меньше номинального, это может указывать на наличие короткозамкнутых витков. Однако чаще всего короткозамкнутые витки возникают в небольшом количестве, когда происходит замыкание между соседними витками, и сопротивление обмотки изменяется незначительно. Для проверки отсутствия короткозамкнутых витков можно поступить следующим образом.

У трансформатора выбирается обмотка с наибольшим количеством витков, к одному из выводов которой подключается омметр с помощью зажима «крокодил». Ко второму выводу этой обмотки прикасаются слегка влажным пальцем левой руки. Держа металлический наконечник второго щупа омметра правой рукой, подключают его ко второму выводу обмотки, не отрывая от него пальца левой руки. Стрелка омметра отклоняется от своего начального положения, показывая сопротивление обмотки. Когда стрелка остановится, отводят правую руку со щупом от второго вывода обмотки.

В момент разрыва цепи при исправном трансформаторе чувствуется легкий удар электрическим током за счет ЭДС самоиндукции, возникающей при разрыве цепи. В связи с тем, что энергия разряда мизерна, никакой опасности такая проверка не представляет. При наличии короткозамкнутых витков в проверяемой обмотке или в других обмотках трансформатора ЭДС самоиндукция резко падает и электрического удара не ощущается. Омметр при этом нужно использовать на самом меньшем пределе измерения, который соответствует наибольшему току измерения.


Проверка диодов

Полупроводниковые диоды характеризуются резко нелинейной вольтамперной характеристикой. Поэтому и прямой, и обратный токи при одинаковом приложенном напряжении различны. На этом основан способ проверки диодов омметром. Прямое сопротивление измеряется при подключении плюсового вывода омметра к аноду, а минусового вывода — к катоду диода. У пробитого диода прямое и обратное сопротивления равны нулю. Если диод оборван, оба сопротивления бесконечно велики. Указать заранее значения прямого и обратного сопротивлений или их соотношение нельзя, так как они зависят от приложенного напряжения, а это напряжение у разных авометров и на разных пределах измерения различно. Тем не менее у исправного диода обратное сопротивление должно быть больше прямого. Отношение обратного сопротивления к прямому у диодов, рассчитанных на низкие обратные напряжения, велико (может быть более 100). У диодов, рассчитанных на большие обратные напряжения, это отношение оказывается незначительным, так как обратное напряжение, приложенное к диоду омметром, мало по сравнению с тем обратным напряжением, на которое диод рассчитан.

Методика проверки стабилитронов и варикапов не отличается от изложенной. Как известно, если к диоду приложено напряжение, равное нулю, ток диода также будет равен нулю. Для получения прямого тока необходимо приложить к диоду какое-то пороговое небольшое напряжение. Любой омметр обеспечивает приложение такого напряжения. Однако если соединено последовательно и согласно (в одну сторону) несколько диодов, пороговое напряжение, необходимое для отпирания всех диодов, увеличивается и может оказаться больше, чем напряжение на клеммах омметра. По этой причине измерять прямые сопротивления диодных столбов или селеновых столбиков при помощи омметра оказывается невозможно.


Проверка тиристоров

Неуправляемые тиристоры (динисторы) могут быть проверены таким же образом, как диоды, если напряжение отпирания динистора меньше напряжения на клеммах омметра. Если же оно больше, динистор при подключении омметра не отпирается и омметр в обоих направлениях показывает очень большое сопротивление. Тем не менее, если динистор пробит, омметр это регистрирует нулевыми показаниями прямого и обратного сопротивлений.

Для проверки управляемых тиристоров (тринисторов) плюсовой вывод омметра подключается к аноду тринистора, а минусовой вывод — к катоду. Омметр при этом должен показывать очень большое сопротивление, почти равное бесконечному. Затем замыкают выводы анода и управляющего электрода тринистора, что должно приводить к резкому уменьшению сопротивления, так как тринистор отпирается. Если после этого отключить управляющий электрод от анода, не разрывая цепи, соединяющей анод тринистора с омметром, для многих типов тринисторов омметр будет продолжать показывать низкое сопротивление открытого тринистора. Это происходит в тех случаях, когда анодный ток тринистора оказывается больше так называемого тока удержания. Тринистор остается открытым обязательно, если анодный ток больше гарантированного тока удержания. Это требование является достаточным, но не необходимым. Отдельные экземпляры тринисторов одного и того же типа могут иметь значения тока удержания значительно меньше гарантированного. В этом случае тринистор при отключении управляющего электрода от анода остается открытым. Но, если при этом тринистор запирается и омметр показывает большое сопротивление, нельзя считать, что тринистор неисправен.


Проверка транзисторов

Эквивалентная схема биполярного транзистора представляет собой два диода, включенных навстречу один другому. Для р-n-р-транзисторов эти эквивалентные диоды соединены катодами, а для n-р-n-транзисторов — анодами. Таким образом, проверка транзисторов омметром сводится к проверке обоих р-n-переходов транзистора: коллектор-база и эмиттер-база. Для проверки прямого сопротивления переходов р-n-р-транзисторов минусовой вывод омметра подключается к базе, а плюсовой — поочередно к коллектору и эмиттеру. Для проверки обратного сопротивления переходов к базе подключается плюсовой вывод омметра. При проверке n-р-n-транзисторов подключение производится наоборот: прямое сопротивление измеряется при соединении с базой плюсового вывода омметра, а обратное сопротивление — при соединении с базой минусового вывода. При пробое перехода его прямое и обратное сопротивления оказываются равными нулю. При обрыве перехода его прямое сопротивление бесконечно велико. У исправных маломощных транзисторов обратные сопротивления переходов' во много раз больше их прямых сопротивлений. У мощных транзисторов это отношение не так велико, тем не менее омметр позволяет их различить.

Из эквивалентной схемы биполярного транзистора вытекает, что с помощью омметра можно определить тип проводимости транзистора и назначение его выводов (цоколевку). Сначала определяют тип проводимости и находят вывод базы транзистора. Для этого один вывод омметра подключают к одному выводу транзистора, а другим выводом омметра касаются поочередно двух других выводов транзистора. Затем первый вывод омметра подключают к другому выводу транзистора, а другим выводом омметра касаются свободных выводов транзистора. Затем первый вывод омметра подключают к третьему выводу транзистора, а другим выводом касаются остальных. После этого меняют местами выводы омметра и повторяют указанные измерения. Полезно все эти 12 измерений пронумеровать и записать результаты. Нужно найти такой вариант подключения омметра, при котором подключение второго вывода омметра к каждому из двух выводов транзистора соответствует небольшому сопротивлению (оба перехода открыты). Тогда вывод транзистора, к которому был подключен первый вывод омметра, являлся выводом базы. Если первый вывод омметра является плюсовым, значит, транзистор относится к n-р-n-проводимости, если — минусовым, значит, к р-n-р-проводимости. Теперь нужно определить, какой из двух оставшихся выводов транзистора является выводом коллектора. Для этого омметр произвольно подключается к этим двум выводам транзистора, а уже найденный вывод базы соединяется с плюсовым выводом омметра при n-р-n-транзисторе или с минусовым выводом омметра при р-n-р-транзисторе и отмечается измеренное омметром сопротивление. Затем выводы омметра меняются местами, а база остается подключенной к тому же выводу омметра, что и ранее, и вновь отмечается измеренное сопротивление. В том случае, когда сопротивление оказалось меньшим, база была соединена с коллектором транзистора.

Полевые транзисторы проверять омметром не рекомендуется.


Проверка микросхем

С помощью омметра можно производить проверку тех микросхем, которые представляют собой наборы диодов или биполярных транзисторов. Таковы, например, диодные сборки и матрицы КДС111, КД906 и микросхемы К159НТ, К198НТ и др. Проверка диода или транзистора производится по уже описанной методике. Если неизвестно назначение выводов сборки или микросхемы, оно также может быть определено, хотя из-за наличия нескольких транзисторов в одном корпусе приходится проводить более громоздкие измерения. При этом нужно установить систему подключения омметра к выводам, чтобы выполнить все возможные комбинации.

Литература

1. Жердев А. Мини-тестер // Радиолюбитель. — 1998. - № 8.,- С. 35; № 9. — С. 36–37.

2. Серебров Н. Омметр с линейной шкалой // Радио. — 1999. - № 5. — С. 52; 2000. - № 6. — С. 50.

3. Устименко С. Измеритель индуктивности с линейной шкалой // Радиолюбитель. — 1995. - № 4. — С. 23–24.

4. Соловьев О. Измеритель емкости на ИМС // Радио. — 1990.-№ 5. -С. 64.

5. Нечаев И. Генератор 34 // Радио. — 1994. - № 4. — С. 28–29; 1996.-№ 8.-С. 61.

6. Шушурин В. Простой RC-генератор // Радио. — 1972. - № 5. — С. 63.

7. Гончар Г. «Электрический стул» для носа // Радиолюбитель. — 1999. - № 7. — С. 20.

8. Стахов Е. Устройство для лечения магнитным полем // Радиолюбитель. — 1996. - № 7. — С. 15.

9. Шустов М. «Антимигреневый» генератор // Радиолюбитель. — 1992. - № 11. — С. 20–21.

10. Коваль А. Помощник для слепых // Радиолюбитель. — 1991. - № 6. — С. 3.

11. Иванов Б. Горный воздух в комнате // Электроника в самоделках. — ДОСААФ. - 1975. — С. 171–178.

12. Карелин С. Сторожевое устройство с магнитным ключом // Радио. — 1994. - № 2. — С. 33–34; 2000. - № 2. — С. 46.

13. Шустов М. Сирены личной охраны // Радиолюбитель. — 1995.- № 3. — С. 18–19.

14. Детектор вибраций // Радио. — 1995. - № 8. — С. 62.

15. Герасев Е. Охранное устройство с «магнитным ключом» // Радио. — 1994. - № 12. — С. 40.

16. Васильев В. Электронная «приманка» для рыб // Зарубежные радиолюбительские конструкции. — Энергия. — 1977. — С. 94–95.

17. Семенов И. Береговой лот // Радиолюбитель. -1999. - № 11.-С. 30.

18. Нечаев И. Автомат кормит аквариумных рыб // Радио. — 1993. - № 5. — С. 33–34.

19. Виноградов Ю. Электромеханический «рыболов» // Радио. — 1994. - № 3. — С. 33–34, С. 1 обложки.

20. Термометр с полупроводниковым датчиком // Радио. — 1992. - № 4. — С. 59; 1994. - № 4. — С. 47.

21. Власов Ю. Электронный термометр // Радио. — 1994. - № 12.-С. 39.

22. Шелестов И. Быстродействующий измеритель температуры // Радио. — 1994. - № 4. — С. 33.

23. Алексиев Д. Медицинский термометр // Радио. — 1981. — № 9. — С. 68.

24. Александров И. Звонковая кнопка управляет освещением // Радио. — 1990. - № 4. — С. 82; 1991 — № 1. — С. 76.

25. Нечаев И. Регулятор яркости светильника с плавным включением // Радио. — 1995. - № 11. — С. 33.

26. Нечаев И. Сенсорный выключатель светильника // Радио. — 1993. - № 6. — С. 30–31.

27. Бжевский Л. Светорегулятор с выдержкой времени // Радио. — 1989. - № 10. — С. 76; 1997. - № 2. — С. 52.

* * *




Оглавление

  • Глава 1 ИЗМЕРИТЕЛЬНЫЕ ПРИБОРЫ
  •   1.1. Мини-тестер
  •   1.2. Омметр с линейной шкалой
  •   1.3. Измеритель индуктивности с линейной шкалой
  •   1.4. Измеритель емкости на ИМС
  •   1.5. Генератор 3Ч
  •   1.6. Простой RC-генератор
  • Глава 2 ЭЛЕКТРОНИКА В МЕДИЦИНЕ
  •   2.1. «Электрический стул» для носа
  •   2.2. Устройство для лечения магнитным полем
  •   2.3. «Антимигреневый» генератор
  •   2.4. Помощник для слепых
  •   2.5. Горный воздух в комнате
  • Глава 3 ОХРАННЫЕ УСТРОЙСТВА
  •   3.1. Сторожевое устройство
  •   3.2. Сирены личной охраны
  •   3.3. Детектор вибраций [14]
  •   3.4. Охранное устройство
  • Глава 4 РЫБАКУ И АКВАРИУМИСТУ
  •   4.1. Электронная «приманка» для рыб
  •   4.2. Береговой лот
  •   4.3. Автомат кормит аквариумных рыб
  •   4.4. Электромеханический «рыболов»
  • Глава 5 ЭЛЕКТРОННЫЕ ТЕРМОМЕТРЫ
  •   5.1. Термометр с полупроводниковым датчиком. [20]
  •   5.2. Электронный термометр
  •   5.3. Быстродействующий термометр
  •   5.4. Медицинский термометр
  • Глава 6 УПРАВЛЕНИЕ ОСВЕЩЕНИЕМ
  •   6.1. Звонок включает свет в прихожей
  •   6.2. Регулятор яркости светильника с плавным включением
  •   6.3. Сенсорный выключатель светильника
  •   6.4. Светорегулятор с выдержкой времени
  • Приложение ПРОВЕРКА РАДИОЭЛЕМЕНТОВ ОММЕТРОМ
  • Литература